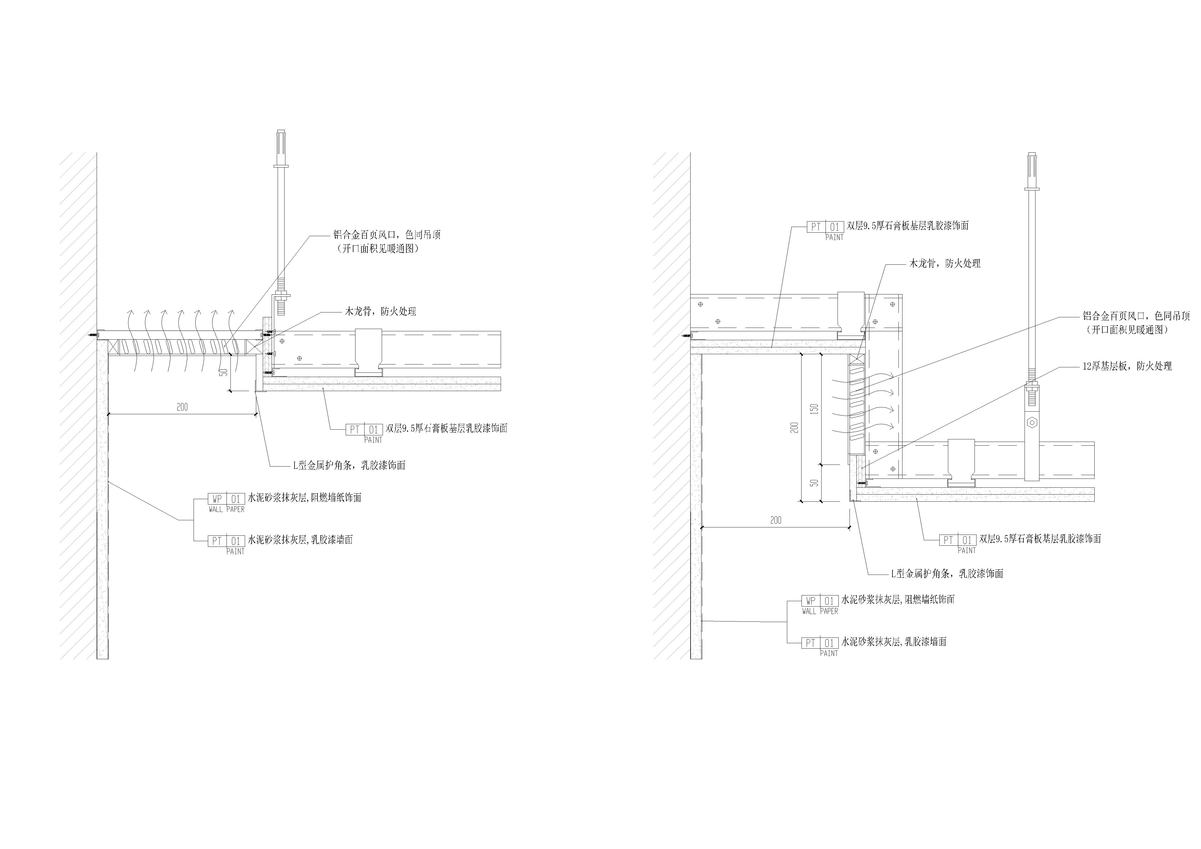
搜相似






常用精选天花节点图
下载价18.00云币,VIP专享10.799999999999999云币
立即下载
3天内重复下载免费
布鲁丸
作品:144
相似CAD图纸
新中式山水文化图案 ID:149586
2023精选餐饮图库 ID:148686
最新常用现代窗户 ID:149267
网红高低床 ID:149612
常见暗藏消火栓暗门节点图 ID:146891
常用新款烧烤架图库 ID:149594
咖啡厅奶茶店酒吧图库 ID:147757
电气系统图详解 ID:140587
门窗家具楼梯板件动态库 ID:149262
2023-精选家居图库合集 ID:149278
网红潮流图库 ID:147754
CAD专用图库大全 ID:101755
国外精整高端CAD图库丨沙发+床具+椅具+桌柜+茶几 ID:148690
最新隐形门&暗门 ID:146865
2023年 沙发等家具精美组合图库 ID:140539
精选最新办公图库CAD图纸 ID:147174
软装定制专用图库 ID:147136
厨卫用品家电CAD动态图库 ID:147755
铁艺隔断栏杆 ID:149282
门窗及栏杆楼梯图库 ID:148677
古典云纹 ID:149609
最新中国山水画 风景画 ID:149582
公司文化墙CAD图集 ID:149610
图库大全CAD2010 ID:101726
最新网红风CAD平面模块 ID:149275
最新彩平图专用图库和模板CAD图纸 ID:147177
会议椅培训椅休闲椅 ID:149606
500款常用中式元素图库 ID:149599
常见动物昆虫类图库 ID:149618
饰品摆件1 ID:101731
装饰画 ID:101732
CAD线条大全2 ID:101729
火锅店设计(施工图全) ID:146619
防爆砖墙及隐蔽构造节点示意图 ID:146142
超全工装办公空间平立面_图库 ID:147343
石膏线条素面平线 ID:148683












